Не нашли нужный товар? Позвоните или напишите нам и мы обязательно подберем для Вас решение.
Договор заключается в момент оплаты Покупателем товара ТОЛЬКО в ОФЛАЙН-МАГАЗИНЕ. Делая предварительный заказ, Покупатель заверяет, что ознакомился и согласен с Политикой компании, она ему ясна и понятна.Небулайзер мини ВВД Инжкомцентр
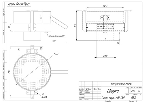
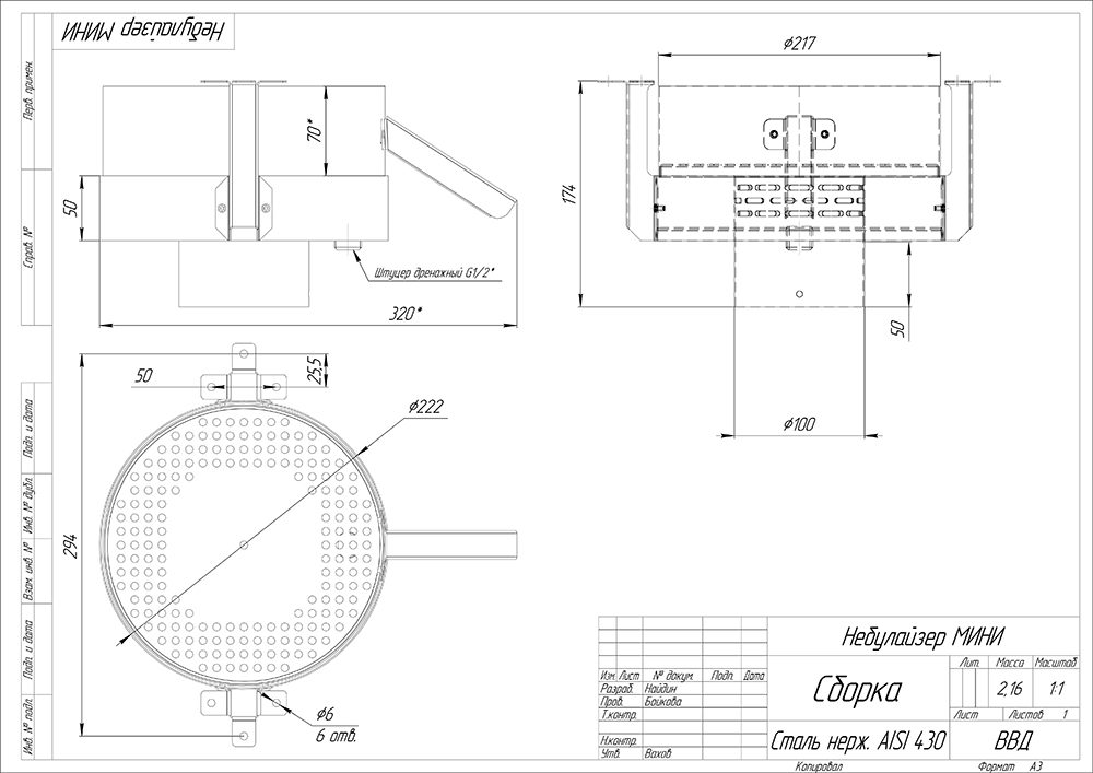
Небулайзер мини для бани ВВД.
В большинстве парных нехватка воздуха обычное явление. Отчасти вопрос плохой вентиляции решает небулайзер для бани, он устанавливается под парительный полок, в котором предварительно вырезается отверстие под лицо лежащего человека. Теперь в парной можно будет проводить значительно больше времени, так как задача притока свежего воздуха, пусть локально, но решена.
Итак - как это работает?
Устройство состоит из двух частей: - «съемная нержавеющая чаща» - «труба-воздуховод».
Первая часть выполняет функцию фито-контейнера. В неё мы кладём травы, фито пакеты или масла, можно даже кусочки фруктов - в общем, все то, что даёт приятный, и самое главное - полезный аромат.
Так же в эту чащу можно укладывать лёд - тогда воздух будет не только насыщенным и свежим, но и прохладным - даже в летнюю жару.
После использования контейнер легко вынимается, чистится, моется - и он снова готово к работе.
Кстати, наличие льда или снега в контейнере достаточно для охлаждения человека даже без дополнительного притока воздуха (например, если парная находится в подвале, и нет возможности забрать воздух с улицы).
«Труба-воздуховод» предназначена для подачи свежего воздуха с улицы. Имеет кондесатосборник для слива влаги (рекомендуется надеть силиконовую трубку и вывести в канализацию).
Также устройство имеет патрубок Д.112 мм. для подсоединения гоффротрубы, соединяющей устройство с улицей.
Дополнительно, для увеличения потока воздуха, можно использовать маломощный вентилятор 12 V.
Отправляем продукцию по всей территории РФ.
Ознакомиться с условиями оплаты и получения товара Вы можете на странице «Доставка и оплата».
* Рассчитывается ориентировочная стоимость доставки от ПВЗ города отправления до ПВЗ города получения.
Конечная стоимость определяется после приема груза на терминале компании и зависит от точных габаритов сборки (длина*ширина*высота, вес), типа груза (наименование товара во вложении), вида отгрузки (отгрузка курьеру или в ПВЗ), хрупкости вложения, выбора услуги страхования груза, наличия обязательной обрешетки и дополнительной упаковки, согласно условий и требований к перевозке грузов конкретной ТК.
Вы можете воспользоваться услугами монтажа купленных у нас товаров. Для этого при оформлении заказа на сайте в поле «Нужен монтаж» нужно выбрать пункт «Да».
Также по вопросам монтажа Вы можете проконсультироваться по указанным на сайте телефонам или отправить запрос через любую из расположенных на сайте форм обратной связи.
- Можно доверять! Компания «КПД» работает с 2004 года.
- Работаем только с проверенными бригадами монтажников.
- Произведем расчет и установку любого оборудования из наших магазинов.
- Гарантируем качество выполненных работ.
- Примеры наших работ (смотреть).





